Gestion informatisée et supervision
Logiciel de gestion AquaPilet
Pour une meilleure gestion de vos réseaux d’eau, STEP, etc. nous avons développé un logiciel de gestion complet et modulable pour tous types d’installations.
Si vous souhaitez une démonstration, n’hésitez pas à nous contacter par mail, téléphone ou via notre formulaire de contact.
Nous vous renseignerons avec plaisir sur les différentes possibilités offertes par ce sytème.
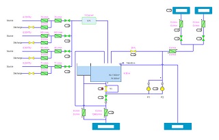
Automates programmables
Avec l’évolution du marché, nous avons progressé dans les systèmes d’automatisation avec les automates programmables industriels.
Une équipe de programmeurs est à votre disposition.
Communication
Un grand nombre de systèmes de communication sont compatibles avec notre logiciel de gestion :
- - Filaire cuivre
- - Lignes louées
- - Fibre optique
- - Lignes commutées
- - Liaisons 3G / 4G
- - Téléréseau
- - Internet / IP
Logiciel de gestion AquaPilet
Pour une meilleure gestion de vos réseaux d’eau, STEP, etc. nous avons développé un logiciel de gestion complet et modulable pour tous types d’installations.
Si vous souhaitez une démonstration, n’hésitez pas à nous contacter par mail, téléphone ou via notre formulaire de contact.
Nous vous renseignerons avec plaisir sur les différentes possibilités offertes par ce sytème.
Automates programmables
Avec l’évolution du marché, nous avons progressé dans les systèmes d’automatisation avec les automates programmables industriels.
Une équipe de programmeurs est à votre disposition.
Communication
Un grand nombre de systèmes de communication sont compatibles avec notre logiciel de gestion :
- - Filaire cuivre
- - Lignes louées
- - Fibre optique
- - Lignes commutées
- - Liaisons 3G / 4G
- - Téléréseau
- - Internet / IP
Développement d'applications Android
Afin d'optimiser l'utilisation du programme de gestion lors de vos déplacements, nous avons developpé les applications suivantes :
- Commandes de vannes incendie pour service du feu
- Visualisation restreinte pour exploitant de réseau
- Carnet et numéros d'exploitation
- Autocontrôle de terrain
- Relevés manuels
- Géolocalisation
Compatibles avec tous les smartphones et tablettes fonctionnant sur Android OS 4.4 ou supérieur.
Nous utilisons l'algorithme de chiffrement AES-256 afin de sécuriser le transfert de données entre les applications et le programme de gestion.
Vous souhaitez une démonstration ? N’hésitez pas à nous contacter.
Commandes de vannes incendie
Ouverture des vannes incendie, adaptée automatiquement à votre réseau.
Entièrement configurable, possibilité d'ouvrir plusieurs vannes en même temps, selon les zones définies.
Indication des positions actuelles des vannes (Ouvertes, fermées, en cours d'ouverture...)
Avertissement des demandes d’ouvertures des vannes à l’exploitant du réseau d’eau.
Applications AquaPilet et AquaPilet Light
En complément du programme de gestion et de sa visualisation complète, nous vous proposons maintenant une application vous permettant de visualiser rapidement des données concernant votre réseau.
Visualisation d’informations telles que l’état actuelle d’une station, alarmes actives, dernières valeurs mesurées avec graphique, journal d’évènements etc.
Sont également disponibles : Carnet et numéros d'exploitation ainsi que la géolocalisation d'éléments.
L'application propose en option, un autocontrôle de terrain.